Статьи

СОРТАМЕНТ ДВУТАВРОВ

В современных условиях развития строительства и машиностроения наблюдается устойчивая тенденция к оптимизации материалоемкости конструкций при одновременном повышении их надежности и несущей способности. Среди всего многообразия видов металлопроката двутавровая балка (в профессиональной среде часто именуемая просто «двутавр») занимает особое положение благодаря своей исключительной эффективности при восприятии вертикальных изгибающих нагрузок. Форма ее поперечного сечения является результатом инженерного поиска оптимального распределения материала относительно главных центральных осей, что позволяет достигать максимальных прочностных показателей при минимальном весе.
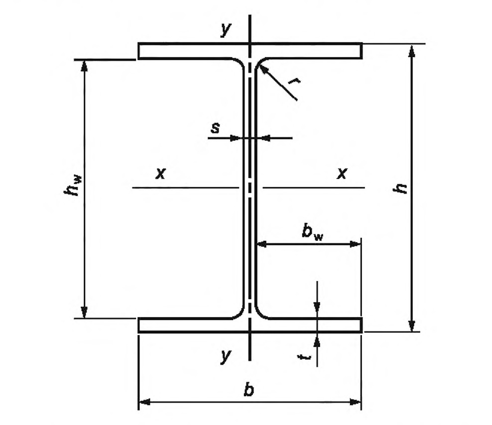
Поперечное сечение двутавра характеризуется Н-образной формой, состоящей из двух горизонтальных элементов – полок – и одного вертикального – стенки.
Основными параметрами, регламентированными стандартами, являются:
  • Высота двутавра (h): Главный размер, определяющий номер балки.
  • Ширина полки (b): Определяет устойчивость полки против локального выпучивания.
  • Толщина стенки (s): Критический параметр для работы на срез и устойчивости против потери устойчивости.
  • Толщина полки (t): Определяет способность полки воспринимать сжимающие и растягивающие напряжения.
Ключевыми геометрическими характеристиками, непосредственно влияющими на несущую способность, являются:
  • Момент инерции (Ix, Iy): Мера сопротивления балки изгибу. Чем выше значение момента инерции (особенно относительно оси X – Ix), тем более жесткой и менее прогибаемой является балка.
  • Момент сопротивления (Wx, Wy): Показывает способность балки сопротивляться изгибающему моменту. Является прямой характеристикой прочности элемента.
  • Статический момент полусечения: Важен для расчета касательных напряжений.
  • Радиусы инерции (ix, iy): Используются в расчетах на устойчивость.

Оптимальное соотношение этих параметров позволяет материалу в полках эффективно сопротивляться нормальным напряжениям (растяжению и сжатию), а стенке – касательным напряжениям.
Номинальные размеры поперечного сечения, площадь поперечного сечения, масса 1 метра длины, справочные величины для осей двутавров изготавливаемых по ГОСТ 35087-2024 приведены в таблице 1.
Таблица 1- Номинальные размеры поперечного сечения, площадь поперечного сечения, масса 1м длины, справочные величины для осей двутавров
Номер
профиля
Номинальные размеры, мм Площадь
поперечного
сечения
FH, см2
Масса 1м
длины, кг
Справочные величины для осей двутавра
h b s t hw bw r Iх, см4 Wх, см3 SХ, см3 iх, мм Iу, см4 Wу, см3 Sу, см3 iy, мм
Тип Б — балочные нормальные двутавры
20Б1 200,0 100,0 5,5 8,0 184,0 47,25 11,0 27,16 21,30 1844,26 184,40 104,73 82,41 133,91 26,78 20,97 22,21
25Б1 248,0 124,0 5,0 8,0 232,0 59,50 12,0 32,68 25,70 3537,11 285,30 159,68 104,04 254,85 41,11 31,80 27,93
25Б2 250,0 125,0 6,0 9,0 232,0 59,50 12,0 37,66 29,60 4051,73 324,10 182,93 103,73 293,85 47,02 36,55 27,93
30Б1 298,0 149,0 5,5 8,0 282,0 71,75 13,0 40,80 32,00 6318,22 424,00 237,53 124,44 442,00 59,33 45,88 32,91
30Б2 300,0 150,0 6,5 9,0 282,0 71,75 13,0 46,78 36,70 7209,26 480,60 271,06 124,14 507,53 67,67 52,56 32,94
35Б1 346,0 174,0 6,0 9,0 328,0 84,00 14,0 52,68 41,40 11094,49 641,30 358,09 145,12 791,54 90,98 70,11 38,76
35Б2 350,0 175,0 7,0 11,0 328,0 84,00 14,0 63,14 49,60 13559,01 774,80 433,96 146,54 984,34 112,50 86,79 39,48
40Б1 396,0 199,0 7,0 11,0 374,0 96,00 16,0 72,16 56,60 20018,83 1011,10 563,93 166,56 1447,14 145,44 111,97 44,78
40Б2 400,0 200,0 8,0 13,0 374,0 96,00 16,0 84,12 66,00 23704,43 1185,20 663,13 167,87 1736,39 173,64 133,82 45,43
45Б1 446,0 199,0 8,0 12,0 422,0 95,50 18,0 84,30 66,20 28697,35 1286,90 725,06 184,50 1580,03 158,80 123,29 43,29
45Б2 450,0 200,0 9,0 14,0 422,0 95,50 18,0 96,76 76,00 33450,76 1486,70 839,53 185,93 1871,57 187,16 145,46 43,98
50Б1 492,0 199,0 8,8 12,0 468,0 95,10 20,0 92,38 72,50 36841,89 1497,60 853,45 199,70 1581,96 158,99 124,86 41,38
50Б2 496,0 199,0 9,0 14,0 468,0 95,00 20,0 101,27 79,50 41869,08 1688,30 957,23 203,33 1844,89 185,42 144,88 42,68
55Б1 543,0 220,0 9,5 13,5 516,0 105,25 24,0 113,36 89,00 55677,42 2050,70 1164,94 221,62 2405,54 218,69 171,67 46,06
55Б2 547,0 220,0 10,0 15,5 516,0 105,00 24,0 124,74 97,90 62784,45 2295,60 1301,49 224,34 2761,34 251,03 196,56 47,05
60Б1 596,0 199,0 10,0 15,0 566,0 94,50 22,0 120,45 94,60 68715,90 2305,90 1325,36 238,85 1979,66 198,96 157,64 40,54
60Б2 600,0 200,0 11,0 17,0 566,0 94,50 22,0 134,41 105,50 77632,25 2587,70 1489,36 240,32 2278,16 227,82 180,72 41,17
Тип Ш — балочные широкополочные двутавры
20Ш1 194,0 150,0 6,0 9,0 176,0 72,00 13,0 39,01 30,60 2689,74 277,30 154,28 83,04 507,16 67,62 51,85 36,06
25Ш1 244,0 175,0 7,0 11,0 222,0 84,00 16,0 56,24 44,20 6121,23 501,70 279,19 104,33 984,48 112,51 86,36 41,84
25Ш2 249,0 176,0 8,5 13,5 222,0 83,75 16,0 68,59 53,80 7624,69 612,40 343,94 105,44 1229,33 139,70 107,41 42,34
30Ш1 294,0 200,0 8,0 12,0 270,0 96,00 18,0 72,38 56,80 11338,30 771,30 429,51 125,16 1603,26 160,33 123,28 47,06
30Ш2 300,0 201,0 9,0 15,0 270,0 96,00 18,0 87,38 68,60 14209,66 947,30 529,86 127,52 2034,13 202,40 155,42 48,25
35Ш1 334,0 249,0 8,0 11,0 312,0 120,50 20,0 83,17 65,30 17107,05 1024,40 565,71 143,42 2834,62 227,68 174,45 58,38
35Ш2 340,0 250,0 9,0 14,0 312,0 120,50 20,0 101,51 79,70 21676,50 1275,10 706,03 146,13 3650,97 292,08 223,45 59,97
40Ш1 383,0 299,0 9,5 12,5 358,0 144,75 22,0 112,91 88,60 30554,32 1595,50 880,73 164,50 5576,08 372,98 285,42 70,27
40Ш2 390,0 300,0 10,0 16,0 358,0 145,00 22,0 135,95 106,70 38674,10 1983,30 1093,97 168,66 7207,77 480,52 366,53 72,81
45Ш1 440,0 300,0 11,0 18,0 404,0 144,50 24,0 157,38 123,60 56069,13 2548,60 1412,44 188,75 8111,31 540,75 413,80 71,79
45Ш2 446,0 302,0 13,0 21,0 404,0 144,50 24,0 184,30 144,70 66379,08 2976,60 1661,51 189,78 9655,62 639,44 490,29 72,38
Тип К — колонные двутавры
20К1 196,0 199,0 6,5 10,0 176,0 96,25 13,0 52,69 41,40 3846,06 392,50 216,41 85,44 1314,47 132,11 100,38 49,95
20К2 200,0 200,0 8,0 12,0 176,0 96,00 13,0 63,53 49,90 4715,63 471,60 262,75 86,15 1601,53 160,15 121,91 50,21
25К1 246,0 249,0 8,0 12,0 222,0 120,50 16,0 79,72 62,60 9170,92 745,60 410,68 107,26 3090,06 248,20 188,61 62,26
25К2 250,0 250,0 9,0 14,0 222,0 120,50 16,0 92,18 72,40 10832,61 866,60 480,25 108,41 3648,81 291,90 221,88 62,92
30К1 298,0 299,0 9,0 14,0 270,0 145,00 18,0 110,80 87,00 18848,66 1265,00 694,64 130,43 6241,19 417,47 316,82 75,05
30К2 300,0 300,0 10,0 15,0 270,0 145,00 18,0 119,78 94,00 20410,21 1360,70 750,59 130,54 6754,83 450,32 342,13 75,10
35К1 342,0 348,0 10,0 15,0 312,0 169,00 20,0 139,03 109,10 31247,91 1827,40 1001,17 149,92 10542,21 605,87 459,67 87,08
35К2 350,0 350,0 12,0 19,0 312,0 169,00 20,0 173,87 136,50 40295,09 2302,60 1272,61 152,23 13585,82 776,33 589,29 88,39
40К1 394,0 398,0 11,0 18,0 358,0 193,50 22,0 186,81 146,70 56145,31 2850,00 1559,22 173,36 18922,62 950,89 720,40 100,64
40К2 400,0 400,0 13,0 21,0 358,0 193,50 22,0 218,69 171,70 66621,41 3331,10 1836,23 174,54 22412,67 1120,63 849,93 101,23
Тип С — свайные двутавры
20С1 200,0 204,0 12,0 12,0 176,0 96,00 13,0 71,53 56,20 4982,30 498,20 282,75 83,46 1701,70 166,83 128,66 48,77
25С1 244,0 252,0 11,0 11,0 222,0 120,50 16,0 82,06 64,40 8786,78 720,20 402,51 103,48 2938,35 233,20 178,99 59,84
30С1 294,0 302,0 12,0 12,0 270,0 145,00 18,0 107,66 84,50 16864,20 1147,20 638,55 125,16 5515,72 365,28 279,87 71,58
35С1 338,0 351,0 13,0 13,0 312,0 169,00 20,0 135,25 106,20 28190,34 1668,10 925,69 144,37 9379,76 534,46 408,88 83,28
40С1 388,0 402,0 15,0 15,0 358,0 193,50 22,0 178,45 140,10 48965,17 2524,00 1401,07 165,65 16258,38 808,87 618,66 95,45
Тип У — двутавры с уклоном внутренних граней полок
10У 100 55 4,5 7,2 85,6 25,25 7,0 12,05 9,46 198 39,7 23,0 40,6 17,9 6,49 5,40 12,2
12У 120 64 4,8 7,3 105,4 29,60 7,5 14,65 11,50 350 58,4 33,7 48,8 27,9 8,72 7,37 13,8
14У 140 73 4,9 7,5 125,0 34,05 8,0 17,45 13,70 572 81,7 46,8 57,3 41,9 11,50 9,75 15,5
16У 160 81 5,0 7,8 144,4 38,00 8,5 20,25 15,90 873 109,0 62,3 65,7 58,6 14,50 12,36 17,0
18У 180 90 5,1 8,1 163,8 42,45 9,0 23,44 18,40 1290 143,0 81,4 74,2 82,6 18,40 15,72 18,8
20У 200 100 5,2 8,4 183,2 47,40 9,5 26,75 21,00 1840 184,0 104,0 82,8 115,0 23,10 19,88 20,7
22У 220 110 5,4 8,7 202,6 52,30 10,0 30,57 24,00 2550 232,0 131,0 91,3 157,0 28,60 24,77 22,7
24 У 240 115 5,6 9,5 221,0 54,70 10,5 34,78 27,30 3460 289,0 163,0 99,7 198,0 34,50 29,70 23,7
27У 270 125 6,0 9,8 250,4 59,50 11,0 40,13 31,50 5010 371,0 210,0 112,0 260,0 41,50 36,03 25,4
30У 300 135 6,5 10,2 279,6 64,25 12,0 46,50 36,50 7080 472,0 268,0 123,0 337,0 49,90 43,67 26,9
33У 330 140 7,0 11,2 307,6 66,50 13,0 53,76 42,20 9840 597,0 339,0 135,0 419,0 59,90 52,12 27,9
36У 360 145 7,5 12,3 335,4 68,75 14,0 61,91 48,60 13380 743,0 423,0 147,0 516,0 71,10 61,69 28,9
40У 400 155 8,3 13,0 374,0 73,35 15,0 72,61 57,00 19062 953,0 545,0 162,0 667,0 86,10 74,98 30,3
45У 450 160 9,0 14,2 421,6 75,50 16,0 84,71 66,50 27696 1231,0 708,0 181,0 808,0 101,00 88,04 30,9
50У 500 170 10,0 15,2 469,6 80,00 17,0 100,00 78,50 39727 1589,0 919,0 199,0 1043,0 123,00 107,42 32,3
55У 550 180 11,0 16,5 517,0 84,50 18,0 117,96 92,60 55962 2035,0 1181,0 218,0 1356,0 151,00 131,94 33,9
60У 600 190 12,0 17,8 564,4 89,00 20,0 137,58 108,00 76806 2560,0 1491,0 236,0 1725,0 182,00 159,52 35,4
Обозначения:
  • h – общая высота двутавровой балки;
  • s – толщина поперечной части (стенки);
  • b – ширина полки двутавра;
  • t – толщина полки;
  • R – радиус закругления внутренней части (между плоскостью стенки и полки);
  • r – радиус сопряжения.
  • I – момент инерции;
  • W – момент сопротивления;
  • S – статистический момент полусечения